Будьте всегда в курсе!
Узнавайте о скидках и акциях первым
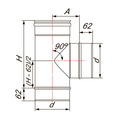
| Бренд | Вулкан (Россия) |
| Материал изготовления | нержавеющая сталь |
| Диаметр, мм | 130 |
| А, мм | 96 |
| H, мм | 253 |
| Изоляция, мм | без изоляции |
| Наружный контур дымохода | AISI 321 (матовая) |
| Толщина наружного контура, мм | 0.5 |
| Масса, кг | 0.6 |
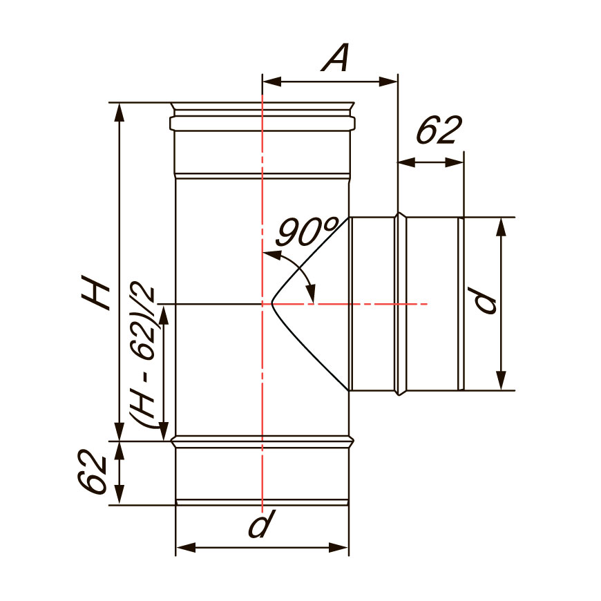
Диаметр дымохода, мм | 130 |
Материал изготовления | сталь |
Хотите знать, во сколько обойдется реализация индивидуального проекта, или вам нужно мнение специалиста по вопросам демонтажа старого оборудования либо установки нового? Чтобы получить грамотный совет, воспользуйтесь услугой выезда мастера на консультацию.
Для того чтобы ваша печь или каминная топка работали максимально эффективно, их необходимо правильно установить. Монтажники интернет-магазина «ПечкинЪ» произведут полный спектр работ по монтажу печей, каминов и дымоходов в Нижнем Новгороде по привлекательным ценам.