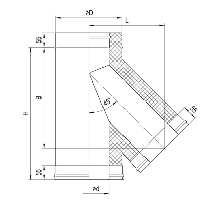
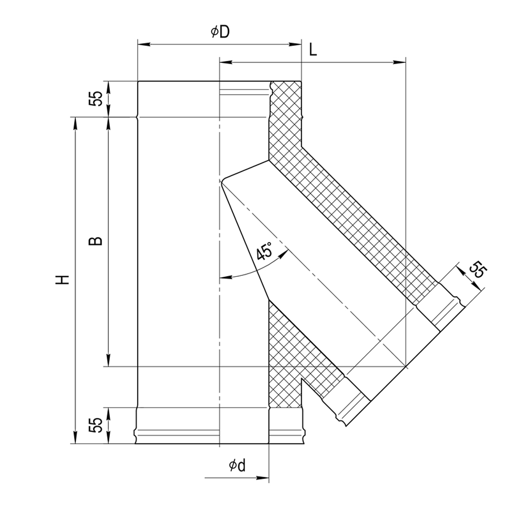
Сэндвич-тройник Феррум 135 град. (430/0,8 + нерж) диам.150х210
Используется для изменения направления дымового канала на 45 град, используется в качестве очистного элемента, облегчает обслуживание дымохода. Внутренняя труба выполнена из нержавейки с толщиной металла 0,8 мм. Внешний контур из нержавейки.
В качестве изоляционной набивки используется техническая базальтовая вата Izovol mat 50 c рабочей температурой 600 град.
d - 150 мм;
D - 210 мм;
L - 277 мм;
H - 545 мм;
B - 424 мм.
Характеристики
Диаметр дымохода, мм | 150 |
Вес, кг | 7,5 |
Материал изготовления | сталь |
Услуги
Хотите знать, во сколько обойдется реализация индивидуального проекта, или вам нужно мнение специалиста по вопросам демонтажа старого оборудования либо установки нового? Чтобы получить грамотный совет, воспользуйтесь услугой выезда мастера на консультацию.
Для того чтобы ваша печь или каминная топка работали максимально эффективно, их необходимо правильно установить. Монтажники интернет-магазина «ПечкинЪ» произведут полный спектр работ по монтажу печей, каминов и дымоходов в Нижнем Новгороде по привлекательным ценам.







