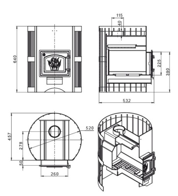
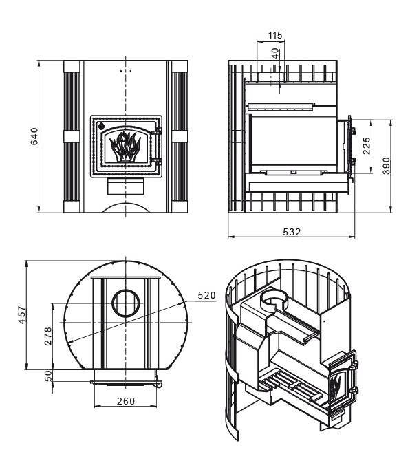
Банная печь Везувий Скиф Стандарт 16 (ДТ-3) без выноса
Стальная банная печь ВЕЗУВИЙ Скиф 16 (ДТ-3) Стандарт б/в предназначена для прогрева парного помещения объемом 8-18 кубических метров и поддержания необходимой температуры во время парения. Печь СКИФ оборудована открытой каменкой, закладываемой камнями для бани (приобретаются отдельно). Печь изготовлена из особо прочной котловой стали 09Г2С, рассчитанной на работу при высоких температурах и давлении. Толщина стенок печи 4-6 мм. Топочный тоннель также выполнен из стали марки 09Г2С толщиной 4 мм. Топка оснащена каналом для подачи воздуха на вторичный дожиг дымовых газов. Канал проходит по задней стенке топки снизу вверх и подаёт воздух для горения в верхние отделы топки. Такая конструкция повышает экономичность печи и увеличивает КПД агрегата.
Съёмный чугунный колосник в сочетании со скошенными краями боковой части стенки облегчает уход за топкой, уборки золы и несгоревших углей.
Воздух в зону горения подаётся через поддувало, его количество регулируется зольным ящиком совкового типа. Открытый зольник усиливает горение, закрытый – замедляет его. Чугунный пламегаситель перенаправляет поток горячего воздуха и дымовых газов к задней части топки. Это позволяет снять с печи максимум энергии в единицу времени. Чугунная дверь при нагревании не деформируется, сохраняет свою форму при остывании и предотвращает попадание продуктов горения на пол перед топкой. Печи Везувий СКИФ оснащаются сетками для камней. Сетки могут быть сделаны из металлического прутка или кованой стальной ленты шириной 40 мм. В сетки по всей высоте укладываются камни для бани, обеспечивая большой объём заклада и длительное удержание тепла после прогрева каменки.
Материал дверки: Жаростойкий чугун (ГОСТ 1412-85)Вес: 48,2 кг
Тип каменки: Открытая
Материал топки: Особо прочная котловая сталь (09Г2С)
Толщина топки: до 6 мм
Диаметр дымохода: 115 мм
Топочный тоннель: Без выноса
Тип конвектора: сетка СТАНДАРТ
Вес камней в конвекторе: 100 кг
Модель дверки: Везувий ДТ-3
Размер топочной дверки наружный: 290*250 мм
Характеристики
КПД, % | 78 |
Отапливаемая площадь, м2 | до 18 м³ |
Диаметр дымохода, мм | 115 |
Подключение к дымоходу | верхнее |
Длина полена | 350 |
Вес, кг | 49 |
Размеры (ВxШxД) | 640х520х530 |
Тип топлива | дрова |
Материал изготовления | сталь |
Стиль | классика |
Услуги
Хотите знать, во сколько обойдется реализация индивидуального проекта, или вам нужно мнение специалиста по вопросам демонтажа старого оборудования либо установки нового? Чтобы получить грамотный совет, воспользуйтесь услугой выезда мастера на консультацию.
Для того чтобы ваша печь или каминная топка работали максимально эффективно, их необходимо правильно установить. Монтажники интернет-магазина «ПечкинЪ» произведут полный спектр работ по монтажу печей, каминов и дымоходов в Нижнем Новгороде по привлекательным ценам.
















